SOAL GENERATOR DC DAN AC

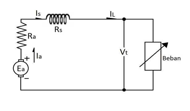
1. Generator DC seri 5kW, 200V. Tahanan kumparan 0,5 Ohm. Rugi tegangan pada sikat tidak ada. Gambarkan dan hitung:
a. Arus jangkar bila bekerja pada beban penuh
b. Tegangan yang dibangkitkan jika tahanan medan seri 0,15 Ohm
Jawab:
Dik:
Ra = 0,5 Ohm
Rs = 0,15 Ohm
Pout = 5KW
V= 200V

a. Ia = Pout / V
= 5kW/200V
= 25A

b. Ea = V + Ia x (Ra+Rs)
=200 + 25x(0,5+0,15)
=200 + (25×0,65)
=200 + 16,25
=216,25V

2. Generator DC seri 50kW, 250V. Tahanan kumparan 0,1 Ohm. Rugi tegangan pada sikat tidak ada. Gambarkan dan hitung:
a. Arus jangkar bila bekerja pada beban penuh
b. Tegangan yang dibangkitkan jika tahanan medan seri 0,15 Ohm

Jawab:
Dik:
Ra = 0,1 Ohm
Rs = 0,15 Ohm
Pout = 50KW
V= 250V

a. Ia = Pout / V
= 50kW/250V
= 200A

b. Ea = V + Ia x (Ra+Rs)
=250 + 200x(0,1+0,15)
=250 + (200×0,25)
=250 + 50
=300V

3. Generator DC Kompon panjang 40kW 380V, tahanan jangkar 0,03, tahanan medan seri 0,05 dan tahanan medan shunt 75. Gambar hitunglah tegangan yang dibangkitkan generator
Jawab:
Dik:
Pout = 40kW
V = 380V
Rs = 0,05 Ohm
Rsh = 75 Ohm
Ra = 0,03 Ohm

I = Pout / V

=40kW /380V
=105,26A


Ish = V / Rsh

=380V / 75 Ohm
=5,06A


Ia = I – Ish

=105,26A – 5,06A
=100,2A

Ea = V + Ia x (Ra+Rs)

=380 + 100,2 x (0,03+0,05)
=380 + (100,2 x 0,008)
=388,016 V

Komentar

Postingan Populer